Shop OEM Craftsman Snowblower parts that fit, straight from the manufacturer.. We offer model diagrams, accessories, expert repair help, and fast shipping. 877-346-4814. Departments Accessories. (310-196-099)(1990) ) Craftsman Snow Thrower 247.886900 (31AS6WEG799)(2008) ) Craftsman Snow Thrower 247.887870 (31A-62BD799)(2011) ) Craftsman.. Repair parts and diagrams for SB 410 (CMXGBAM1054541) (31AS6BEE793) - Craftsman Snow Blower (2020). SB 410 (CMXGBAM1054541) (31AS6BEE793) - Craftsman Snow Blower (2020) > Parts Diagrams (15) .Quick Reference. Auger Gearbox Assembly. Auger Housing. Chute. Chute Adapter. Engagement Handles. Engine Drive. Friction Wheel Assembly.

42 craftsman snowblower parts diagram Wiring Diagram Trend

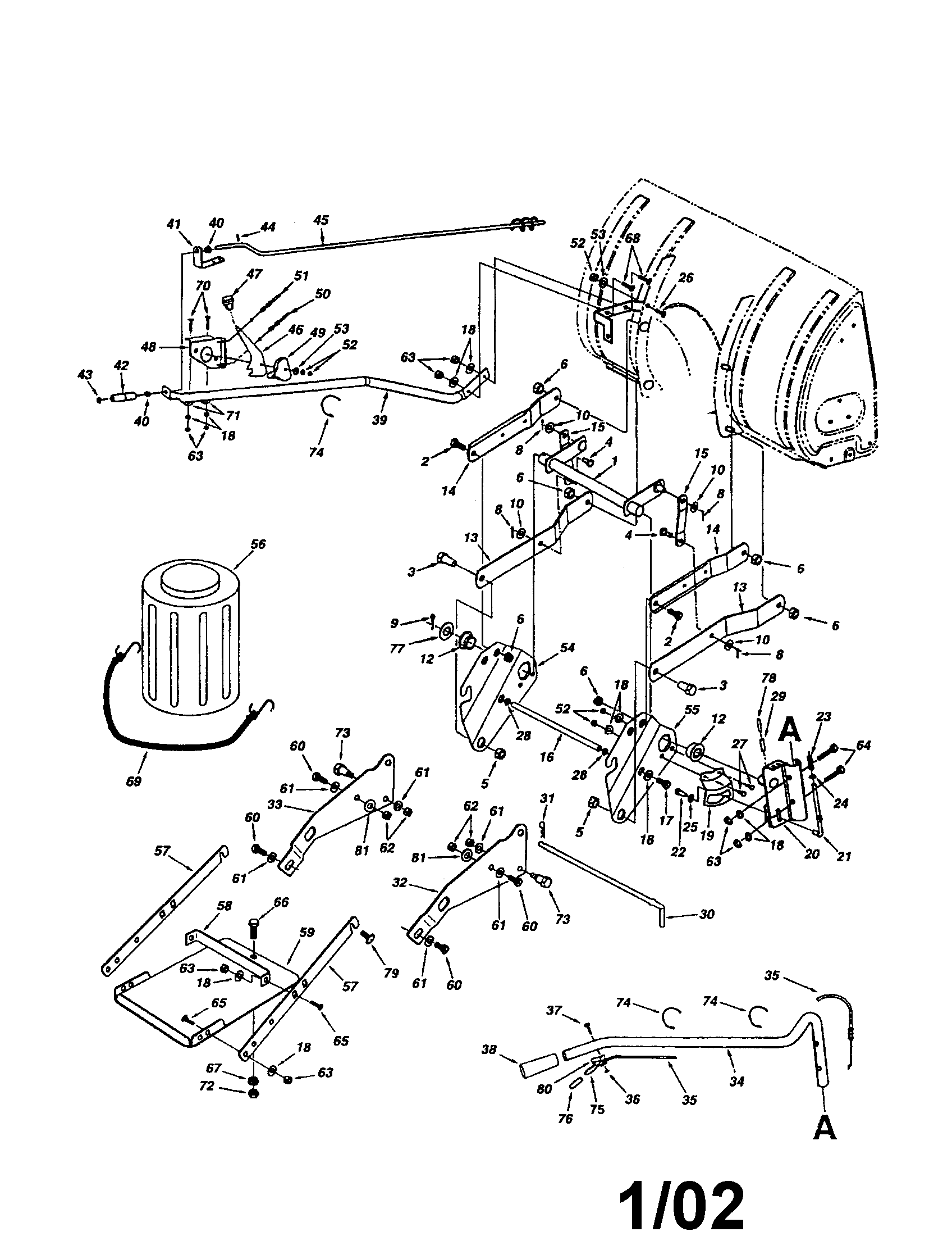
Craftsman model 48624839 snow thrower attachment genuine parts

Murray 536.881400 Craftsman Single Stage Snow Thrower (2005) Parts Diagram for Auger Components

Craftsman 950.527510 (1695385) Craftsman 27" Snow Thrower (2007) Handle Assembly Parts Lookup

Murray 621380x4NA Single Stage Snow Thrower (2002) Parts Diagram for Decals

Murray 1695383 C950527300, Craftsman Dual Stage Snow Thrower (2007) Parts Diagram for Drive

Craftsman Snow Thrower Parts Diagram

Craftsman 536.888110 Craftsman 30" Snow Thrower (2004) (Sears) Engine Parts Lookup with

C950527197 Craftsman 27" Snow Thrower Parts List DR Mower Parts

CRAFTSMAN SNOW THROWER TRACTOR ATTACHMENT Parts Model 48624837 Sears PartsDirect

Craftsman C950529130 (1695741) Craftsman 27" Snow Thrower, Canada (2009) Engine & Frame

Craftsman 536.881400 Craftsman 21" Snow Thrower (2005) (Sears) Handle & Discharge Components

Murray 1695561 C950528480 Craftsman Dual Stage 30" Snow Thrower (2008) Parts Diagram for Decals

Murray 536.881800 Craftsman Dual Stage Snow Thrower (2004) Parts Diagram for Frame

Murray 1695560 C950528500, Craftsman 27" Dual Stage Snow Thrower (2008) Parts Diagram for Decals

Craftsman 247.883960 (31BH55TH799) Craftsman Snow Thrower (2012) .Quick Reference Parts Lookup

Craftsman 247.887802 (31AS2S5D799) Craftsman Snow Thrower (2014) General Assembly Parts Lookup

craftsman snowblower parts diagram Earth Shack

Sears Craftsman Snowblower Parts Diagram

CRAFTSMAN 45" SNOW THROWER Parts Model 24788045 Sears PartsDirect
Repair parts and diagrams for SB 630 (CMXGBAM1054544) (31AH5DTH793) - Craftsman Snow Blower (2019). SB 630 (CMXGBAM1054544) (31AH5DTH793) - Craftsman Snow Blower (2019) > Parts Diagrams (21) .Quick Reference. 4-Way Chute Control. Auger Gearbox Assembly. Auger Housing. Cable Guide. Chute. Chute Adapter. Chute Gearbox Assembly.. Usually ships in 7 - 12 business days. $3.99. Add to Cart. 10. Shaft Lever. Part Number:632108. Usually ships in 7 - 12 business days. Shop OEM replacement parts by symptoms or model diagrams for your Craftsman 536886120 5Hp 22" Snowblower!